Zhejiang Sehnaider Electric Co., Ltd.
Zhejiang Sehnaider Electric Co., Ltd.
Ürünler
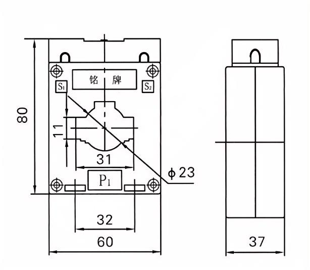
BH-0.66-30 Mevcut Transformatörler
  • BH-0.66-30 Mevcut TransformatörlerBH-0.66-30 Mevcut Transformatörler

BH-0.66-30 Mevcut Transformatörler

BH-0.66-30 Mevcut Transformatörler (CTS), düşük voltajlı elektrik sistemlerinde doğru akım ölçümü ve izleme için tasarlanmış hassas şekilde tasarlanmış araçlardır. 0.66kV'lik nominal yalıtım voltajı ile bu transformatörler enerji yönetimi, koruyucu aktarma ve ölçüm uygulamaları için idealdir.

Özellikler:

Yüksek doğruluk: Faturalandırma ve izleme amaçları için güvenilir performans sağlayarak IEC 61869 standartlarını karşılıyor.

Kompakt Tasarım: Sıkı alanlarda kolay kurulum için alan tasarrufu sağlayan yapı.

Geniş akım aralığı: 30A'ya kadar birincil akım, çeşitli endüstriyel ve ticari yükler için uygun.

Dayanıklı Malzemeler: Sağlam konut, çevresel faktörlere ve mekanik strese direnç sağlar.

Güvenlik Uyumluluğu: BH-0.66-30 Mevcut Transformatörler Uluslararası Güvenlik ve Performans Sertifikaları ile uyumlu.


Uygulamalar:

Güç dağıtım sistemlerinde enerji ölçümü.

Devre kesiciler ve rölelerde aşırı akım koruması.

Akıllı ızgaralar ve IoT tabanlı izleme çözümleri ile entegrasyon.

Teknik Özellikler:

Nominal Voltaj: 0.66kV

Frekans: 50/60Hz

Doğruluk sınıfı: 0.5, 1.0 (özelleştirilebilir)

Yük: Müşteri gereksinimlerine göre


Ana teknik parametreler

Derecelendirilmiş birincil
Mevcut (A)
Kesinlik
sınıf
kombinasyon
Nominal İkincil Çıktı (VA) Termal akım (KA) Nominal Dinamik Akım (KA)
0.2 (S) 0.2 0.5 10p10
5-40 0.2/10p10
0.5/10p10
/ 10 10 15 90lin 220Lin
5-40 100lin 250LIN
5-40 20 50
5-40
5-40 36 90
10
5-40 45 100
5-40 56 100
5-40
5-40 80 110
5-40 100 110


Sıcak Etiketler: BH-0.66-30 Mevcut Transformatörler
Talep Gönder
İletişim bilgileri
Teklif veya işbirliği hakkında herhangi bir soruşturmanız varsa, lütfen River@dahuelec.com adresinden bize e -posta göndermekten çekinmeyin veya aşağıdaki sorgu formunu kullanın. Satış temsilcimiz 24 saat içinde sizinle iletişime geçecektir. Ürünlerimize olan ilginiz için teşekkür ederiz.
X
Size daha iyi bir gezinme deneyimi sunmak, site trafiğini analiz etmek ve içeriği kişiselleştirmek için çerezleri kullanıyoruz. Bu siteyi kullanarak çerez kullanımımızı kabul etmiş olursunuz. Gizlilik Politikası
Reddetmek Kabul etmek